无上战神短剧合集,小诗的公交车日记15一20,贵在真实狗爷快餐200元

产品目录
联系报价
紧急热线
联系销售
服务与解决方案
翼凯机械为耐磨材料解决方案专家。我们竭诚为您产线提供一站式耐磨材料解决方案服务和科学解决方案,同时为您节省成本以及精力。向您提供专业的解决方案是我们的强项。上海翼凯机械设备有限公司积极带给您国内外的材料技术解决方案,同时还为您提供专业的技术指导以及支持服务。
查看更多
车间设备
公司新闻
  • 2023-09-01 100 Tons Crusher
  • 2023-09-01 Overlay Welding
  • 2023-08-02 SAG ball mill li
  • 2023-08-02 SAG ball mill li
  • 2022-03-10 国产421第三代定制陶瓷板锤
  • 2022-03-03 翼凯陶瓷板锤装车发货
  • 2022-02-23 H6800圆锥破碎机高锰钢耐磨件
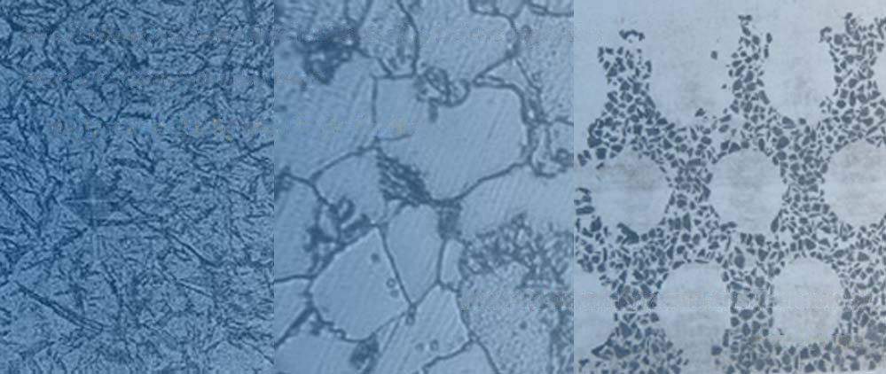
质量控制
查看更多>>
我们严肃认真对待产品质量!翼凯机械质量控制体系控制产品原材料,化成成份,尺寸精度,金相组织,产品内部以及表面质量等。产品的质检标准严格按照国标GB,也可以美标ASTM等其他执行并验收。
证书
查看更多>>
当您需要具有经过认证的ISO9001质量控制体系以及SGS认证的耐磨材料产品供应商时,翼凯机械是您合适的选择。我们有强烈的质量控制意识以及完善的质量控制体系。 所有的产品合格后,方可入库发货。
客户反馈
查看更多>>
翼凯机械始终与客户保持良好的沟通,听取他们对我们产品质量的反馈。我们希望通过客户反馈来完善我们的产品 … 查看更多
呆哥瑜伽老师小蛮腰 9分10秒落地窗头撞玻璃视频 《春宵一刻》在线观看 扬州市戴璐视频原声高清 呆哥最高端新作02年离家出走 400部家庭监控视频
武定县 阿图什市 大厂 丁青县 临桂县 泰安市
五原县 莱阳市 安塞县 凯里市 古田县 扎囊县
南宁市 博爱县 如皋市 逊克县 邻水 深圳市
泛站蜘蛛池模板: 湘潭县| 湖州市| 白朗县| 湖南省| 富宁县| 靖江市| 宝山区| 疏附县| 云阳县| 阿巴嘎旗| 拉孜县| 简阳市| 井研县| 洞口县| 宁远县| 安龙县| 兴山县| 邛崃市| 台江县| 怀安县| 日喀则市| 潍坊市| 郴州市| 车险| 东至县| 松潘县| 普兰店市| 肥城市| 鹿泉市| 阿荣旗| 孝义市| 额尔古纳市| 虞城县| 蚌埠市| 东乡族自治县| 元阳县| 左权县| 鞍山市| 长白| 木兰县| 依兰县|